Doručení probíhá do 2 pracovních dnů; e-mail: info@briv.cz
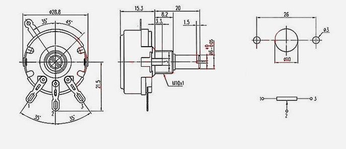
WH118-1A XH2.54 3P lineární potenciometr
Klasický potenciometr WH118 2W, různé odpory. Objednáno přímo od výrobce. Můžeme objednat jakoukoliv velikost, tvar a typ potenciometrů za výhodné ceny!
- Model: WH118
- Ztrátový výkon P = 2W
- Tolerance = 20 %
- Vypínač = Ne
- Mechanické provedení: Průměr osy = 6 mm
- Průměr mon. otvoru = 10 mm
- Délka osy (+závit) = 20(6,5) mm
- Provedení osy = Drážkovaná mm
- Provedení do PCB = Ano
- Provedení vývodů = Vertikál
- Úhel rotace mech. = 300°
- Úhel rotace elekt. = 270°
- Vyrobeno v Číně




































Nový komentář